产品中心 Product Center
碳/碳复合材料室温拉伸性能试验方法 三维穿刺碳力学性能试验机
一、产品介绍:
碳/碳复合材料拉伸试验机适用于室温下三维穿刺碳/碳复合材料和准三维针刺碳/碳复合材料或类似结构的碳/碳复合材料的拉伸强度、拉伸弹性模量、泊松比、比例极限应力、比例极限应变等性能测试。
依据标准:
GB/T1446 《纤维增强塑料性能试验方法总则》
GB/T3961 《纤维增强塑料术语》
GB/T33501-2017 《碳/碳复合材料室温拉伸性能试验方法》

二、功能特点:
1.可对各种金属、非金属及复合材料进行力学性能测试和分析研究,广泛用于航空航天、石油化工、机械制造、塑料橡胶、陶瓷建材、金属材料、建筑工程等行业;
2.可根据GB、ASTM、JIS、DIN等标准进行拉伸、压缩、弯曲、剥离、剪切、撕裂、刺破、顶破及各种高低温实验,可检测出试样的抗拉强度、延伸率、定伸强度、弹性模量等参数;
3.控制系统采用计算机控制并结合电子测控技术,实现标准化、单元化设计,具有控制准确、测量精度高、配置灵活等特点;
4.具有应力、应变、位移三种控制方式,自动采集处理试验数据,绘制多种曲线;
5.具有机械限位保护、过载保护、过电流保护、漏电保护等功能。

三、技术参数:
1、测试力值范围:10KN、20KN、50KN、100KN其它的要求自定
2、测试力值精度:1%
3、试验空间:600mm(可根据要求定制)
4、拉伸长度精确度:±1mm
5、测量范围:0.4%~100%(全程不分档)
6、调速范围:1-500mm/min
7、试验空间宽度:380mm
8、主机形式:门式框架结构
9、重量:约500Kg
10、工作环境:室温~45℃,湿度20%~80%
11、电源:220V/50Hz/2KW
12、外形尺寸:780*570*1800mm(因规格而定)
温馨提示:由于产品均为非标定制,材质,参数,尺寸,工艺等有差别,所有产品的准确报价未标识在网站上,网上只是临时标价,索取准确资料及报价请与我们工作人员联系,感谢您的支持!各位客户如果没有联系营销经理直接下单,将无法进行供货,请您知晓!

四、关于步骤
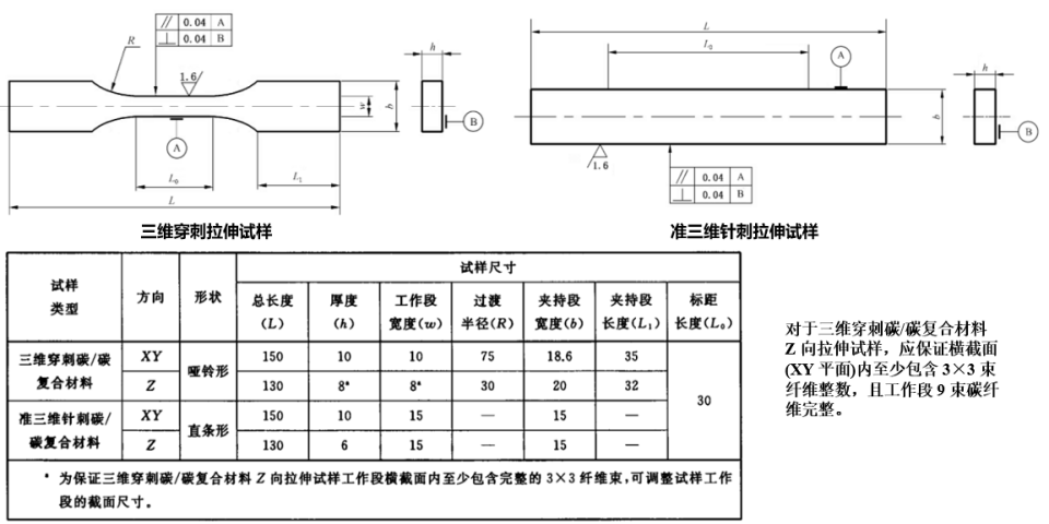
4.1试样形状与尺寸
碳/碳复合材料拉伸试样为扁平状,取样方向有两种:XY向和Z向。三维穿刺碳/碳复合材料拉伸试样形状见图1,准三维针刺碳/碳复合材料拉伸试样形状见图2,对应的试样尺寸见下表,三维穿刺碳/碳复合材料Z向拉伸试样的工作段应保证横截面(XY平面)内至少包含完整的3x3纤维束。

4.2试验步骤
1.按GB/T 1446的规定检查试样外观,对每个试样编号,
2.试验前,试样在实验室标准环境条件下至少放置24h,
3.试样状态调节后,在试样工作段三个截面测量宽度w和厚度h,并取三次测量的算术平均值。测量精度不低于002mm。
4.将试样对中夹持于试验机上、下夹头的夹块内,使载荷中心与试样轴向中心线一致。
5.夹持力在表2推荐的范围内进行调整,以避免夹持力过大造成试样夹持部位破坏。
6.安装引伸计时,引伸计的标距中心与试样标距中心保持一致。
7.按 0.5 mm/min~1.0mm/min的加载速率对试样连续加载,直至试样破坏。连续测量并记录载荷-应变数据、最大载荷。
五、包装及物流运输
买济南旭联仪器设备的客户,购买设备均为高强度防潮防雨高强度木质包装箱,运送方式一般采取物流汽运方式安全运送至客户所需地。
六、设备价格
不同的型号设备生产加工厂家的规格型号、选材标准、制造技术、加工精度等多方面因素影响,因此价格高低不同。用户可根据具体要求,与我们联系,选择满足自身产品的需要的试验设备。更多资讯请关注济南旭联仪器。
七、售后服务
凡购买济南旭联仪器试验机的客户都享有产品的质量保证,并且终生维护,产品出现质量问题,来电后1小时内响应帮助客户解决问题,如遇沟通解决不了的,我们将会上门服务,直至客户试验机正常工作!
